文章详情页
solidworks卸扣的绘制方法
浏览:324日期:2024-09-18 13:57:57
下面给大家介绍的是solidworks卸扣的绘制方法,喜欢的朋友可以一起来关注好吧啦网学习更多的solidworks知识
第1步、看看效果图:

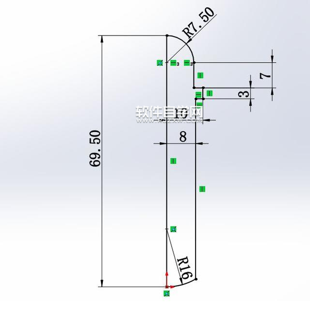
第2步、打开SolidWorks软件,新建文件,进入前视基准面,开始草绘。效果如下:

第3步、使用旋转命令,旋转成实体效果。

第4步、然后,再进入前视基准面,绘制两个矩形出来。

第5步、然后使用切除拉伸,进行切除,设置下面参数设置。

第6步、然后给下面这四个地方进行倒圆角处理。R为:0.5mm。

第7步、同样的方法,给下面的边进行倒圆角,R半径为1mm。

以上就是solidworks卸扣的绘制方法,希望大家喜欢,请继续关注好吧啦网。
相关文章:
排行榜

网公网安备