文章详情页
利用solidworks矩形工具画草图练习
浏览:172日期:2023-11-18 10:34:14
下面给大家介绍的是利用solidworks矩形工具画草图练习的方法,具体画法操作步骤如下:
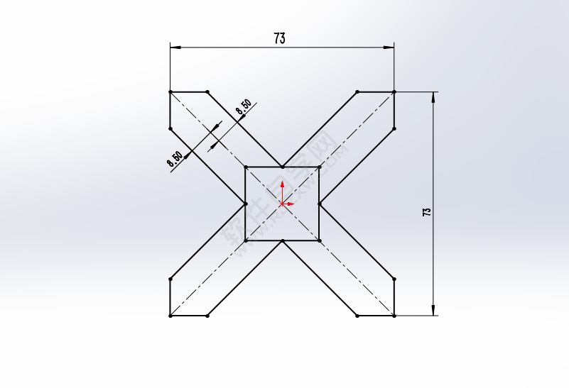
效果图:

1、打开solidworks软件,新建零件,新建草图,绘制一个矩形出来,73X73mm。效果如下:

2、使用等距实体,设置8.5mm,设置双向。偏移构造线,效果如下:

3、然后再使用剪裁实体工具,进行修剪。

4、再使用直线工具,绘制下面的直线草图出来。效果如下:

5、同样的使用剪裁实体工具,把不要的部分修剪掉。

6、这样就完成了草图的绘制。

上一条:CDR设计一个木点logo下一条:ai怎么在做好的对象上插入一个裁切标记
相关文章:
排行榜

网公网安备